Super Yanka

Мои проекты

Здесь собраны мои цифровые и творческие работы. Проекты для портфолио и личный сайт.

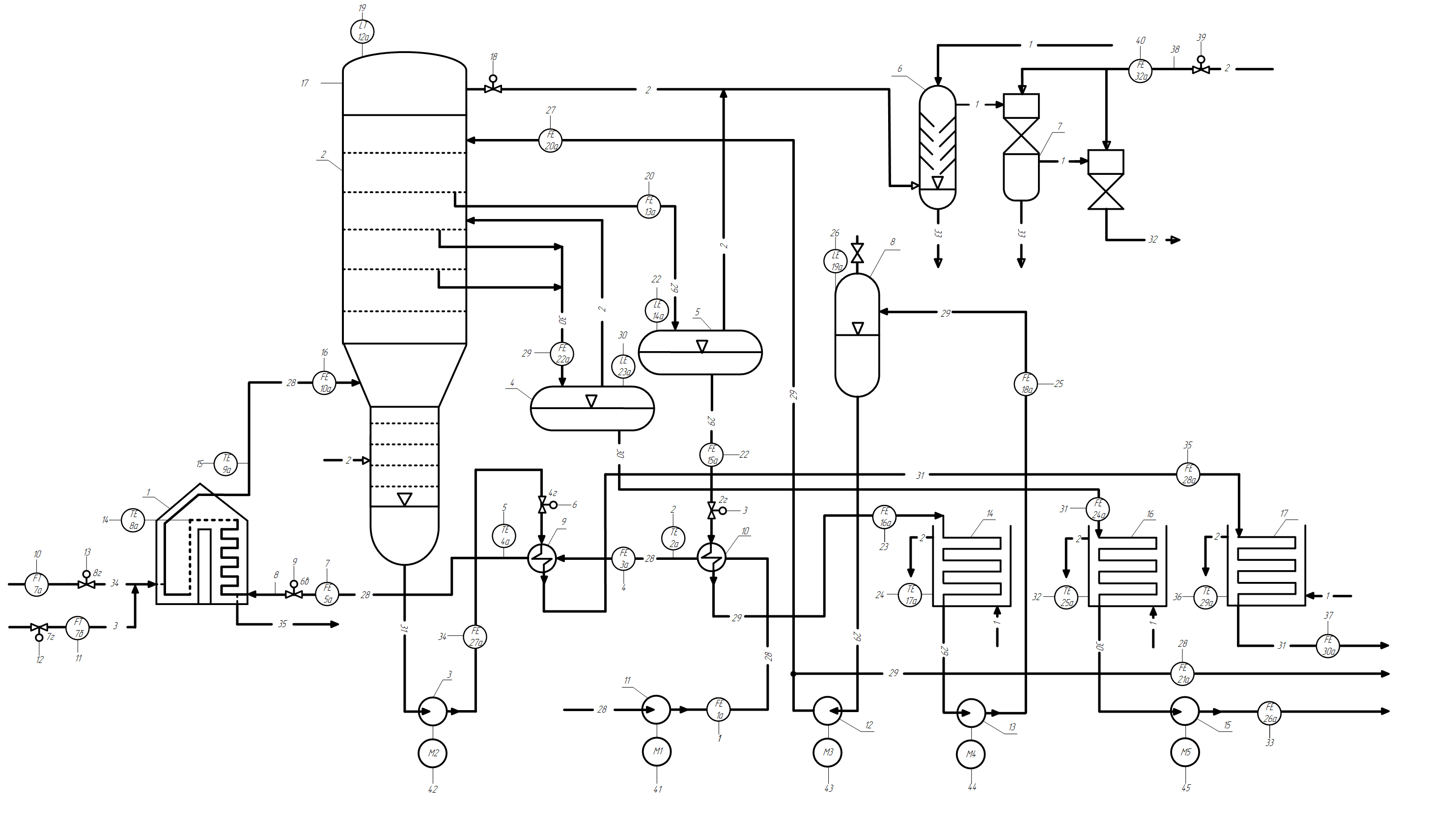
Автоматизация управления вакуумной дистилляцией

Автоматизация управления вакуумной дистилляцией

Проект для бакалаврской работы: автоматизация процесса вакуумной дистилляции. Математическое моделирование печи. Реализованы PI и MPC-регулирование. Щит управления.

Подробнее →
Airbnb NYC

Airbnb NYC Analysis

EDA на Python и SQL: графики, boxplot, группировка, геокарта.

Подробнее →
Churn Prediction

Customer Churn Prediction

ML-пайплайн, XGBoost, визуализация ROC-кривых, сохранение моделей и метрик.

Подробнее →
Sentiment Analysis

Sentiment Analysis

NLP: предсказание тональности отзывов, TF-IDF, Word2Vec, визуализация метрик.

Подробнее →
Personal Website

Личный сайт Super Yanka

Этот сайт — проект сам по себе: Tailwind, анимации, пасхалки, YouTube API.

Подробнее →
soon

Soon...

Soon...

Подробнее →